Leslie 760N is een zeer beroemd model en veel verkocht in de Lage Landen.
De 760N was een ontwerp identiek aan de 122N en is gebouwd in Antwerpen. Naar mijn weten is deze uitvoering nimmer elders in de wereld aangeboden geweest dan in Europa.
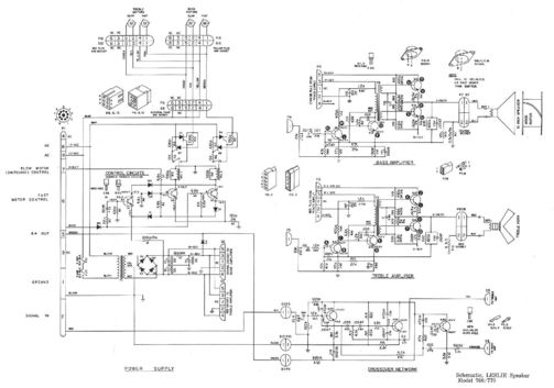
Deze Leslie 760N is de natuurlijke partner van de X-5, (foto hieronder) en andere portables, maar ook voor andere Hammonds, die van fabriekswege voorzien waren met een 9 pin Leslie. Dit model 760 is een 1 kanaals Leslie, die beschouwd kan worden als een transistor versie van de 122 en 147. Piano en dergelijke geluiden als die op Aurora's, Monarch, Grandee en Concorde en dergelijke worden dus niet weergegeven via een 760 serie speaker. Dan heb je een 710 nodig, die wel twee kanalen is.
Deze Leslie klinkt ook heel erg goed op een A 100 en M 100 omdat men dan de mogelijkheid heeft individueel hoog en laag af te regelen. Het is dus niet perse noodzakelijk - in tegenstelling tot wat wel beweerd wordt - dat een A 100 of een M 100 perse een buizen Leslie moet hebben.
De inwendige opbouw van de 760 serie kan vrijwel geheel vergeleken worden met de opbouw van een 122 en 147, zij het dat er een transistor versterker gebruikt werd in plaats van buizen.
In de praktijk is het wel geregeld een probleem gebleken, dat de 9 pin Leslie plug vaak fragiel bleek. Het gebeurde nogal dat bij optredens de overenthousiaste menigte op een Leslie kabel stapte en dan had je niet alleen de mensen op de dansvloer maar ook de poppen aan het dansen. Wanneer de midden geleide pen van de 9 pin plug er uit was gebroken, hetgeen nogal veelvuldig gebeurde, dan ontstond vaak kortsluiting doordat 220 op verkeerde aansluitingen kwam te staan. Dat betekende het einde van soms het orgel maar meestal van de Leslie.
Om die reden ben ik altijd gereserveerd geweest met deze 9 pin Leslies en heb ik deze altijd laten voorzien van professionele pluggen, die dat risico niet hadden (Zie ons club orgel A 122, waar nu professionele connectoren op zitten)
L 122 S met een 760 N
Op deze website plaatsen we cookies die de website goed laten werken of anoniem het gebruik van onze website analyseren.
We plaatsen geen cookies waar u toestemming voor moet geven. Meer informatie vindt u in onze privacyverklaring of geef akkoord en sluit deze melding.