LESLIE MODEL 815

 

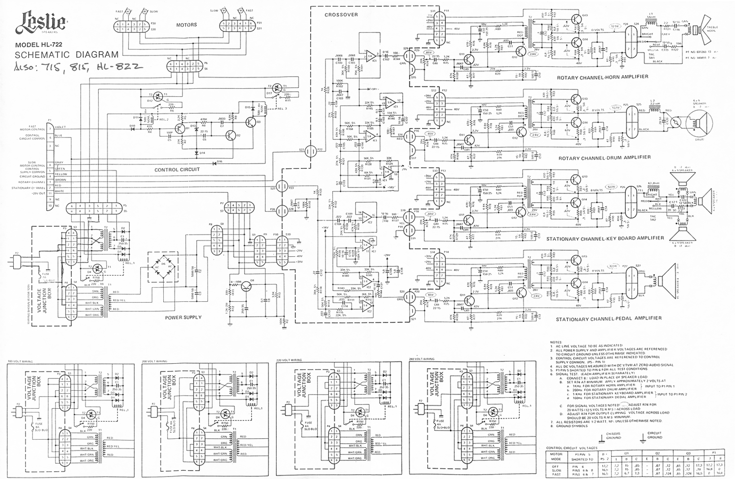
Leslie 715, 815, HL-722 en HL-822 zijn allemaal familie en hebben allemaal hetzelfde binnenwerk, dat één op één uitgewisseld kan worden. Uitsluitend de uiterlijke presentatie is verschillend. Zowel het service-manual als de onderdelen van alle 4 modellen zijn gelijk.
De modellen hebben ook een toonregeling voor zowel de strakke als de rotary kanalen en de volumes tussen de kanalen kunnen gemakkelijk ingesteld worden.

De 815 en de andere modellen uit deze serie is ontworpen voor 2 kanaals orgels, mits met de goede kit aangesloten.
De 815 is een high-power kabinet met een normale Rotosonic drum en horn, alswel twee full range strakke kanalen met 6 x 9 speakers in zowel de linker, de voor als de rechterkant van het meubel. Het is een zeer goed klinkende Leslie met brede sound en gemiddeld genomen bedoeld voor alle Hammonds met een Leslie 11 pin out. 
Latere versies hadden grote koelribben op de versterkers.

  • Height 42 inches.
  • Width 29 inches.
  • Depth 21 inches.
  • Has 2 rotors and 6 speakers.
  • Accepts 2 channels from the source.
  • The amp provides 215 Watts of RMS power.
  • An 11 pin connector:
    1. Flute/Tibia audio
    2. Main/Stationary audio
    3. No Connection
    4. Audio Ground
    5. Control Supply Common
    6. Control Circuit Common
    7. Fast Motor Control
    8. Slow Motor Control
    9. No Connection
    10. Aux #1
    11. 29 VDC for control head
  • Leslie recommends it for use with most 2-Channel Organs.
  • Has treble response controls.
  • Has a vinyl cabinet.

Het verschil met de Leslie 815 en de 822 bestaat uitsluitend hierin, dat de 815 de algemene versie is en de 822 de Hammond versie. 
Beide boxen zijn in de oorspronkelijke zilver/zwarte versie geleverd en in de latere geheel zwarte versie zonder kaders rond de louvres.


815
Folderfoto




                                                     815 "ZILVER" :




Toonregeling:



Badge:




Achterkant "zwarte" 815


Hier de strakke-zwarte uitvoering:

 

De 815 in functie:
https://www.youtube.com/watch?v=AWcQTmR9jxY