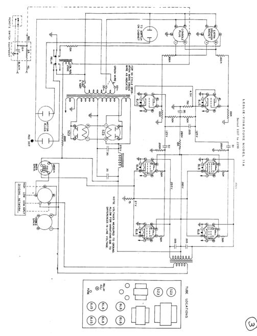
LESLIE MODEL 31 A

 

Ook dit model was eigenlijk uitsluitend gemaakt voor de gebalanceerde output van een Hammond G-G (bijv. model B of C)

Interessant is op te merken, dat in vergelijk met latere cabinetten de 31 A een ELECTRO-DYNAMISCHE speaker had. Dit betekent, dat de 15" woofer geen permanente magneet had zoals bij actuele speakers. Deze had één grote draadspoel, die als magneet werkte. (zie foto's beneden) Deze spoel was op zodanige manier gewonden, dat hij ook als "filter choke" diende voor de versterker-voeding.

Amplifier Type 1 Channel Vacuum Tube
Output Power 35 watts
Drum 1 - 15" Speaker
Horn 1 - Compression Driver
Speeds 1 Speed (Stop/Tremolo)
Interface 6 Pin Balanced

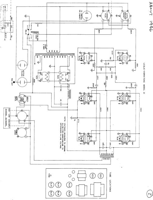
  • Height 61 inches.
  • Width 27 inches.
  • Depth 22 inches.
  • Has 2 rotors and 2 speakers.
  • Accepts 1 channel from the source.
  • The amp provides 30 Watts of RMS power.
  • A 6 pin connector:
    1. G-G Signal Black
    2. Audio Ground
    3. AC Power Return
    4. AC Power Hot
    5. No Connection/Preamp B+
    6. G-G Signal Red
  • Leslie recommends it for use with Hammond.
  • Has a warm-toned vacuum tube amp.
  • Has a wood cabinet.

.